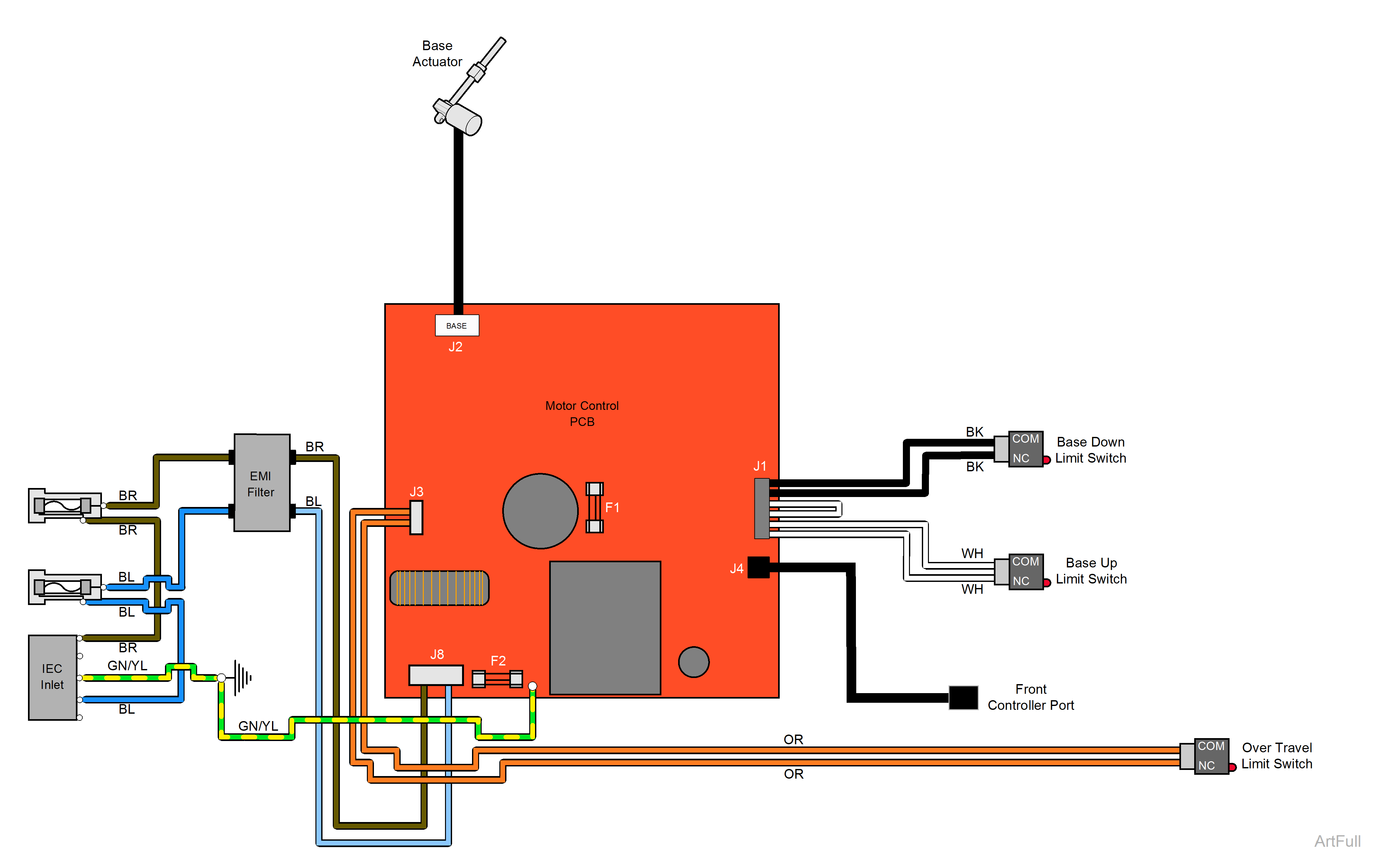
224 Exam Chair Base Up / Down Function Theory of Operation
The illustrations show only the components that affect the Base Up / Down function. Refer to the dropdowns for a detailed description of the Base Up / Down operation.
|
Model |
224-001 |
| Serial Number | All |
Line voltage (115 VAC) is supplied thru two primary fuses located at the table base.
The 115 VAC is sent to the Motor Control PC board. The Motor Control PC board reduces the voltage to 3.3 VDC which is supplied to the foot control.
Fuse F2 on the Motor Control PC board protects the transformer on the board and the electronics supplied by the transformer.
When the Base Up function is activated, the foot control sends a command to the Motor Control PC board. The Motor Control PC board supplies the correct voltage to the base actuator motor.
Fuse F1 on the Motor Control PC board protects the Base actuator motor.
The actuator motor runs and raises the table.
The actuator motor runs until:
•Foot control button is released.
•Base Up limit switch is tripped.
•Overtravel limit switch is tripped.
•Overcurrent protection tripped.
When the Base Down function is activated, the foot control sends a command to the Motor Control PC board. The Motor Control PC board supplies the correct voltage to the Base actuator motor.
Fuse F1 on the Motor Control PC board protects the Base actuator motor.
The actuator motor runs and lowers the table.
The actuator motor runs until:
•Foot control button is released.
•Base Down limit switch is tripped.
•Overcurrent protection tripped.
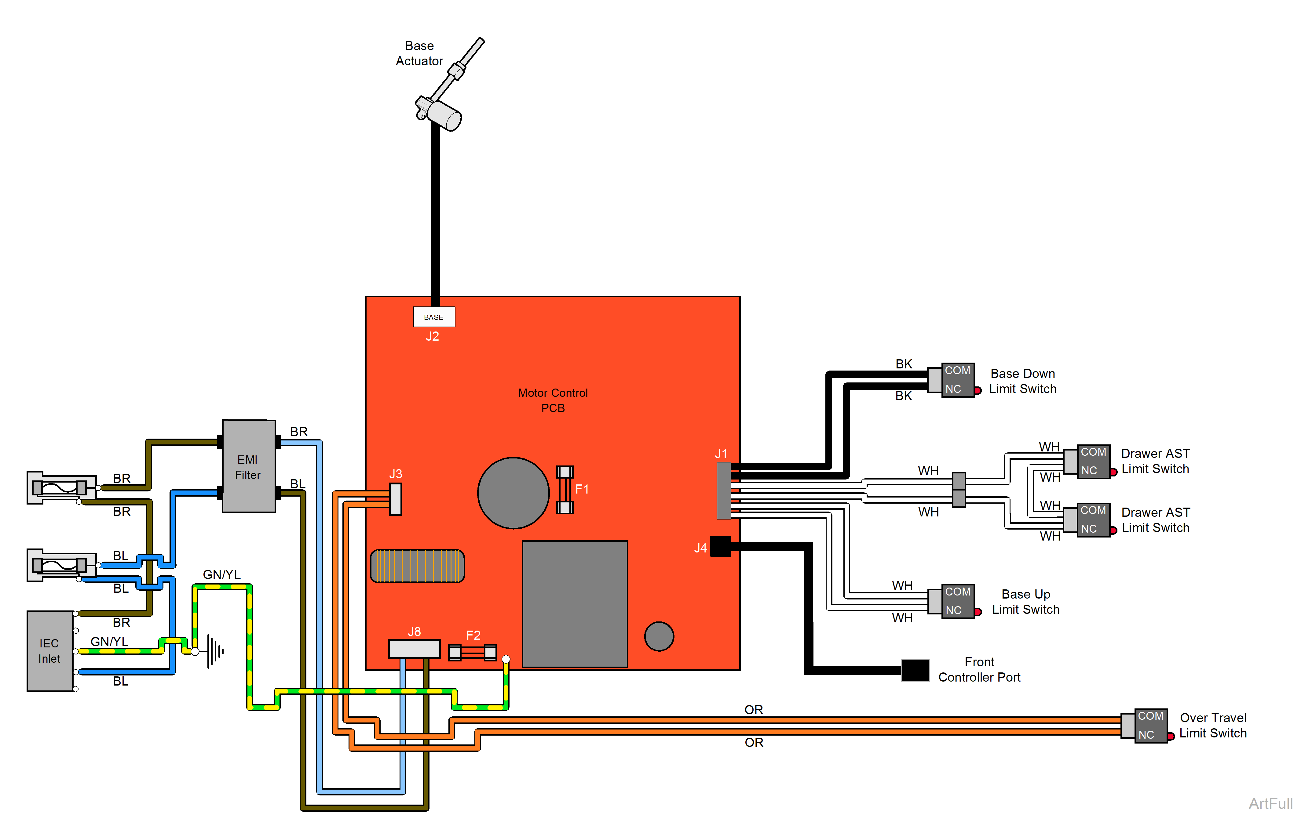
|
Model |
224-002 and -003 |
| Serial Number | All |
Line voltage (115 VAC) is supplied thru two primary fuses located at the table base.
The 115 VAC is sent to the Motor Control PC board. The Motor Control PC board reduces the voltage to 3.3 VDC which is supplied to the foot control.
Fuse F2 on the Motor Control PC board protects the transformer on the board and the electronics supplied by the transformer.
When the Base Up function is activated, the foot control sends a command to the Motor Control PC board. The Motor Control PC board supplies the correct voltage to the Base actuator motor.
Fuse F1 on the Motor Control PC board protects the Base actuator motor.
The actuator motor runs and raises the table.
The actuator motor runs until:
•Foot control button is released.
•Base Up limit switch is tripped.
•Overtravel limit switch is tripped.
•Overcurrent protection tripped.
When the Base Down function is activated, the foot control sends a command to the Motor Control PC board. The Motor Control PC board supplies the correct voltage to the Base actuator motor.
Fuse F1 on the Motor Control PC board protects the Base actuator motor.
The actuator motor runs and lowers the table.
The actuator motor runs until:
•Foot control button is released.
•Base Down limit switch is tripped.
•Active Sensing Technology™ activated.
•Overcurrent protection tripped.
|
Model |
224-011 |
| Serial Number | All |
Line voltage (230 VAC) is supplied thru two primary fuses located at the table base to a Step Down transformer that reduces the line voltage to 115 VAC before it reaches to Motor Control PC board.
The 115 VAC is sent to the Motor Control PC board. The Motor Control PC board reduces the voltage to 3.3 VDC which is supplied to the foot control.
Fuse F2 on the Motor Control PC board protects the transformer on the board and the electronics supplied by the transformer.
When the Base Up function is activated, the foot control sends a command to the Motor Control PC board. The Motor Control PC board supplies the correct voltage to the Base actuator motor.
Fuse F1 on the Motor Control PC board protects the Base actuator motor.
The actuator motor runs and raises the table.
The actuator motor runs until:
•Foot control button is released.
•Base Up limit switch is tripped.
•Overtravel limit switch is tripped.
•Overcurrent protection tripped.
When the Base Down function is activated, the foot control sends a command to the Motor Control PC board. The Motor Control PC board supplies the correct voltage to the Base actuator motor.
Fuse F1 on the Motor Control PC board protects the Base actuator motor.
The actuator motor runs and lowers the table.
The actuator motor runs until:
•Foot control button is released.
•Base Down limit switch is tripped.
•Active Sensing Technology™ activated.
•Overcurrent protection tripped.
