255 Light Dimensions / Specifications
Installation requirements may vary the dimensions.
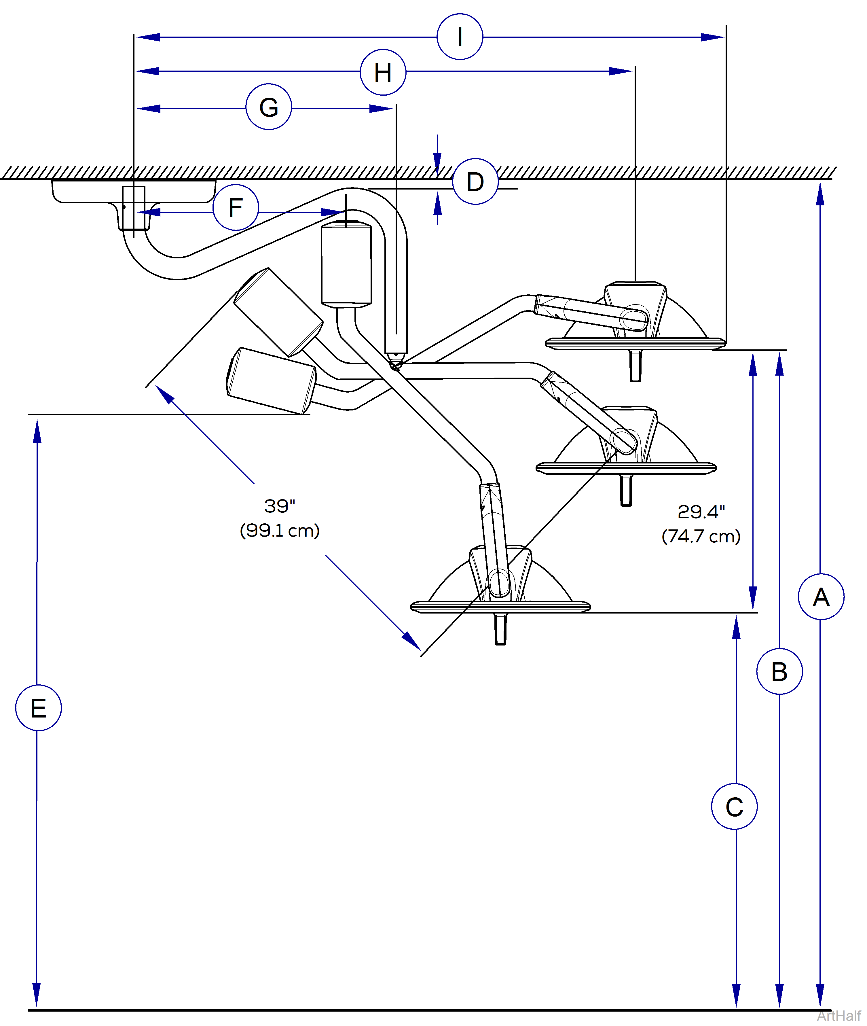
| Ceiling Support Structure Installation - Single Light | |||
|---|---|---|---|
| Reference | 8 ft (96 in / 243.8 cm) | 9 ft (108 in / 274.3 cm) | 10 ft (120 in / 304.8 cm) |
| A | 96 in (243.8 cm) | 108 in (274.3 cm) | 120 in (304.8 cm) |
| B | 80 in (203.2 cm) | 81 in (205.7 cm) | 81 in (205.7 cm) |
| C | 50.4 in (128 cm) | 51.6 in (131.1 cm) | 51.6 in (131.1 cm) |
| D | 2.1 in (5.3 cm) | 11.2 in (28.4 cm) | 17.2 in (43.7 cm) |
| E | 71 in (180.3 cm) | 72.2 in (183.4 cm) | 72.2 in (183.4 cm) |
| F | 19.1 in (48.5 cm) | 17.1 in (43.4 cm) | 17.1 in (43.4 cm) |
| G | 24 in (61 cm) | 22 in (55.9 cm) | 22 in (55.9 cm) |
| H | 48.4 in (122.9 cm) | 46.4 in (117.8 cm) | 46.4 in (117.8 cm) |
| I | 58.4 in (148.3 cm) | 56.4 in (143.2 cm) | 56.4 in (143.2 cm) |
Installation requirements may vary the dimensions.
Reference J is the dimension from the center of the mount bracket and the center rotation point of the downtube.
References K through M are added dimensions for the double light.
| Ceiling Support Structure Installation - Double Light | |||
|---|---|---|---|
| Reference | 8 ft (96 in / 243.8 cm) | 9 ft (108 in / 274.3 cm) | 10 ft (120 in / 304.8 cm) |
| A | 96 in (243.8 cm) | 108 in (274.3 cm) | 120 in (304.8 cm) |
| B | 80 in (203.2 cm) | 81 in (205.7 cm) | 81 in (205.7 cm) |
| C | 50.4 in (128 cm) | 51.6 in (131.1 cm) | 51.6 in (131.1 cm) |
| D | 2.1 in (5.3 cm) | 11.2 in (28.4 cm) | 17.2 in (43.7 cm) |
| E | 71 in (180.3 cm) | 72.2 in (183.4 cm) | 72.2 in (183.4 cm) |
| F | 19.1 in (48.5 cm) | 17.1 in (43.4 cm) | 17.1 in (43.4 cm) |
| G | 24 in (61 cm) | 22 in (55.9 cm) | 22 in (55.9 cm) |
| H | 48.4 in (122.9 cm) | 46.4 in (117.8 cm) | 46.4 in (117.8 cm) |
| I | 58.4 in (148.3 cm) | 56.4 in (143.2 cm) | 56.4 in (143.2 cm) |
| J | 3 in (7.6 cm) | 3 in (7.6 cm) | 3 in (7.6 cm) |
| K | 44.2 in (112.3 cm) | 40.2 in (102.1 cm) | 40.2 in (102.1 cm) |
| L | 54 in (137.2 cm) | 50 in (127 cm) | 50 in (127 cm) |
| M | 102.8 in (261.1 cm) | 98.8 in (251 cm) | 98.8 in (251 cm) |
| N | 122.8 in (311.6 cm) | 118.8 in (301.8 cm) | 118.8 in (301.8 cm) |
For 115 VAC models: Use 104 - 127 VAC, 50/60 Hz alternating current only.
For 230 VAC models: Use 207 - 253 VAC, 50/60 Hz alternating current only.
Failure to do so may result in electric shock to personnel and / or damage to light.
To be properly grounded, unit must be connected to a matching, grounded, dedicated, properly polarized receptacle.
| Electrical Requirements: 255 LED Light | |
|---|---|
| 115 VAC Unit: |
115 VAC, 50/60 Hz, 0.7A, single phase Dedicated Supply Circuit: 120 VAC, 50/60 Hz |
| 230 VAC Unit: |
230 VAC, 50/60 Hz, 0.5A, single phase Dedicated Supply Circuit: 230 VAC, 50/60 Hz |
Do not modify this equipment without authorization of the manufacturer.
Equipment is not suitable for use in the presence of a flammable anesthetic mixture.
Clarification: Equipment is suitable for use in the presence of oxygen, air, or nitrous oxide.
To completely isolate the light from electrical mains supply:
For lights provided with a power cord, the power cord must be unplugged.
For lights wired directly to mains supply, the wiring must be connected to an appropriately sized circuit breaker and the circuit breaker must be turned off.
| 255 Light Specifications | |
|---|---|
| Illumination @ 1 m (39 in): | 7500 fc (80,729 lux) |
| Dim Setting Central Illuminance | |
| Setting 1 (highest) | 7500 fc (80,729 lux) |
| Setting 2 | 6200 fc (66,736 lux) |
| Setting 3 | 4400 fc (47,361 lux) |
| Setting 4 (lowest) | 3400 fc (36,597 lux) |
| LED Light Life: | >30,000 hours @ Ec≥70 |
| Color Temperature: | 4,350K (±300) |
| Color Rendering Index (CRI): | 98 |
| Total Irradiance: | 300 w/m2 |
| Lighthead Field Diameter: | 7.5 in. (19 cm) |
| D50 / D10 ratio: | 0.5 |
| Electrical Requirements: | |
| 115 VAC models | 115 VAC, 50/60 Hz, 0.7 A, single phase |
| 230 VAC models | 230 VAC, 50/60 Hz, 0.5 A, single phase |
| Fuse Rating: | |
| 115 VAC models |
1.6A,
250 VAC, 5mm x 20mm,
|
| 230 VAC models |
1.6A,
250 VAC, 5mm x 20mm,
|
| Range of Motion / Height: | Refer to Dimension / Range of Motion section |
| Usable Range: | .76 m to 1.5 m (30 in to 59 in) |
| Focal Distance: | 1 m (39 in) |
| Power Cord (Mobile Models only): | 120 in. (3 m) long, Hospital Grade grounding plug |
| Classifications: | FDA Class 1, Type B, continuous operation - refer to Model Identification / Compliance Chart |
| Certifications: | |
| All Models | Listed by TUV |
| Weight: | |
| Mobile Models | 65.8 lbs (29.8 kg) |
| Wall Mounted Model | 85 lbs (38.6 kg) |
| Ceiling Mounted Models: | |
| Single light (8 footceiling) | 64 lbs (29.1 kg) |
| Single light (9 ft. ceiling) | 65 lbs (29.5 kg) |
| Double light (8 ft. ceiling) | 116 lbs (52.7 kg) |
| Double light (9 ft. ceiling) | 118 lbs (53.6 kg) |
