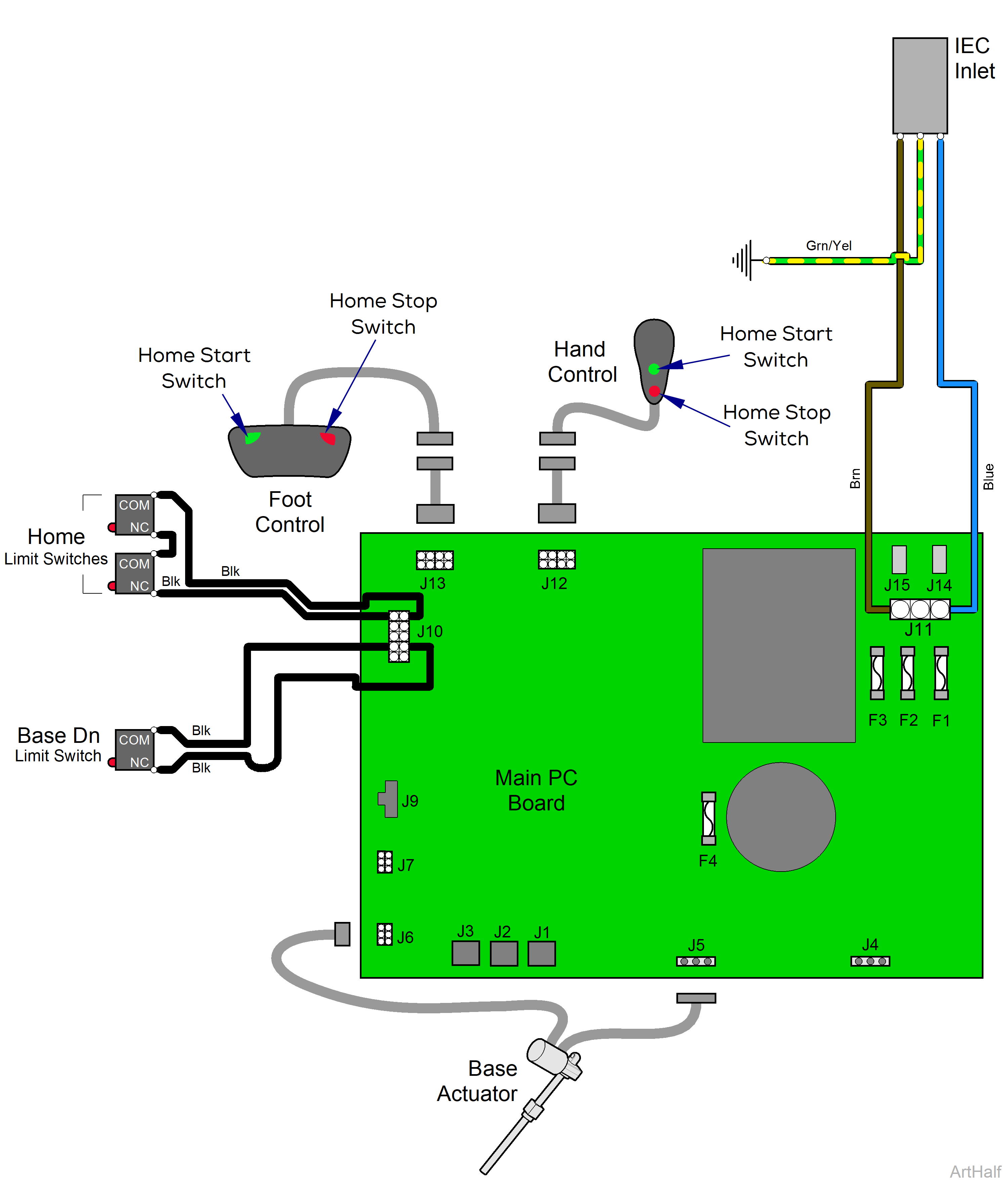
625 Table Home Function Troubleshooting
This illustration shows only the components that affect the Home function. A detailed description of current flow during this function also appears below.
Home Limit Switches
•Home will not operate if switches are tripped.
Base Down Limit Switch
•Home will not operate if switch is tripped.
230 VAC models only
Line voltage (230 VAC) is supplied thru two fuses (located by the IEC inlet) to a transformer that reduces the line voltage to 115 VAC before it reaches the PC Board.
If an over current condition* is detected the PC board will beep and all power functions will be disabled. Release the function button, remove load, then retry function.
*Weight limit exceeded, mechanical binding, etc.
Power to Foot / Hand Control
115 VAC is supplied thru the two primary fuses, F1 and F2, to the transformer on the PC board. F3 fuse protects the transformer.
The transformer reduces the line voltage and supplies 14VAC to the foot/hand control.
Home Operation
If either of the Home limit switches or the Base Down limit switch are tripped (open), the Home function will not operate.
When the Home function is activated, current (14VAC) flows thru the Home foot switch, (N.O.), then back to the PC Board. Circuitry on the PC Board energizes the base motor. F4 fuse protects the base motor.
When the Home function is energized, current flows to the base motor. When current flows to the actuator, the actuator motor runs and lowers the table.
When voltage flows to the actuator, the actuator motor runs lowering the table.
Actuator motor runs until:
1.Stop button is depressed.
2.Home limit switch(es) is tripped.
3.Base Down limit switch is tripped.
4.Fuse(s) opens (blows) - Primary, Base Motor, Transformer fuse.
5.Over-current condition is detected.
