625 Table Power to the 120V Table Troubleshooting
|
Model |
625 -001 and -003 |
| Serial Number | All |
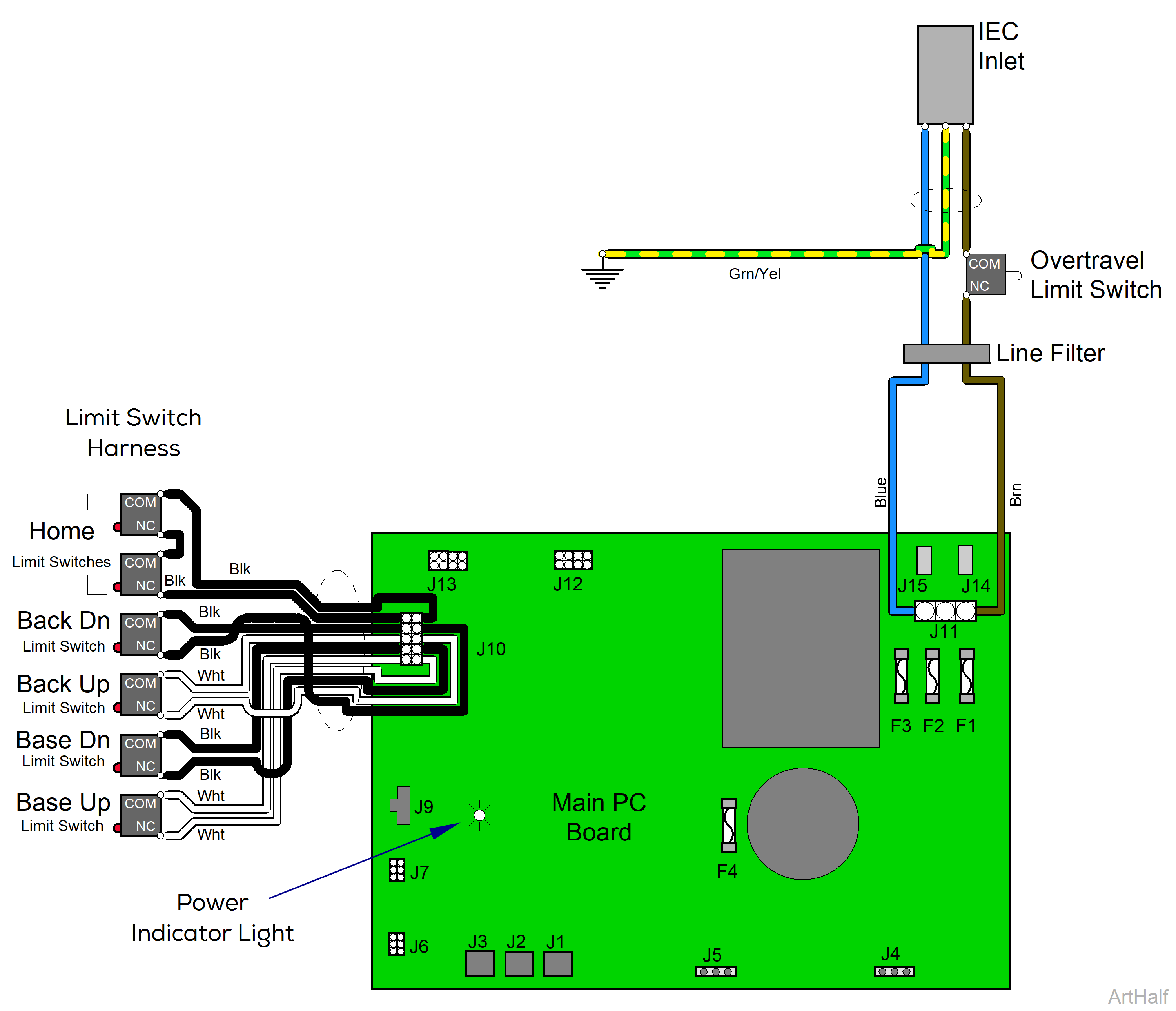
This illustration shows only the components that affect all table functions. A detailed description of current flow also appears below.
Limit Switch Harness
•Base / Back functions will not operate if harness connection is loose.
Power Indicator Light
•If light is OFF, there is no power to PC board.
•If light is ON, proper voltage is present at PC board.
Facility Supply Voltage
With the table’s power cord properly connected, facility supply voltage (115 VAC) is supplied thru the cord to the main PC board.
The two external fuses at the power cord (IEC) inlet do not affect Base or Back functions. These fuses affect the table receptacle only.
Overtravel Limit Switch - Later models only
Disrupts power to main PC board if table is over extended.
Main PC Board
When proper voltage is supplied to the PC board, the power indicator light (on PC board) is illuminated. Circuitry on the PC board provides the required voltage to power all of the table’s components: hand / foot controls, actuators, limit switches.
Fuses
The fuses on the PC board provide the following protection:
F1: Protects PC board (supply voltage).
F2: Protects PC board (supply voltage).
F3: Protects PC board transformer.
F4: Protects Base and Back motors.
